Bürgerinformationssystem

Vorlage - 004/2020  

 
 
Betreff: Modernisierung des Ostalbkreishauses - Vergabe der Arbeiten zur Sanierung der Elektroverteilung und zur Verbesserung des vorbeugenden Brandschutzes
Status:öffentlich  
Federführend:Geschäftsbereich Hochbau und Gebäudewirtschaft   
Beratungsfolge:
Kreistag Entscheidung
10.03.2020 
Sitzung des Kreistags ungeändert beschlossen   

 

 

 

Antrag der Verwaltung

 

Die Arbeiten zur Sanierung der Elektroverteilung am Ostalbkreishaus werden an die wirtschaftlichste Bieterin, die Firma Elektro Jerg GmbH, Aalen, zum Preis von 1.212.318 € vergeben.

 

 

 

 

 

 

 

 

 

 

 


Sachverhalt/Begründung

 

Der Kreistag hat am 27.11.2018 (Vorlage Nr. 219/2018) dem Konzept zur Sanierung der Elektroverteilung und zur Verbesserung des vorbeugenden Brandschutzes im Ostalbkreishaus zugestimmt und die Baufreigabe erteilt.

 

Hintergrund ist, dass die Elektroverteilung und die technischen Bauteile nach 35 Jahren nicht mehr den heutigen Anforderungen entsprechen und daher erneuert bzw. an den aktuellen Stand der Technik angepasst werden müssen.

 

In diesem Zusammenhang werden erforderliche technische Ausstattungen für den vorbeugenden Brandschutz nachgerüstet, um spätere Anpassungen und zusätzliche Kosten zu vermeiden.

 

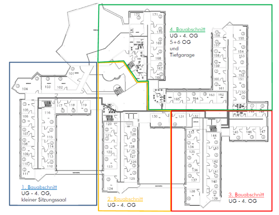
Die Durchführung der Baumaßnahmen wird den Verwaltungsbetrieb nur geringfügig betreffen und abschnittsweise durchgeführt. Hierzu wird das Ostalbkreishaus in vier Bauabschnitte eingeteilt. In jedem dieser Bauabschnitte werden die benötigten Arbeiten vollständig vom Untergeschoss bis zum Dachgeschoss durchgeführt.

 

Übersicht der geplanten vier Bauabschnitte

 

 

Mit den Maßnahmen des ersten Bauabschnitts soll im Juni 2020 begonnen werden.

Die Fertigstellung dieser Arbeiten ist bis Februar 2021 geplant.

 

 

 

 

 

Durchführung von zusätzlichen Maßnahmen im Bereich Elektrotechnik

 

Ursprünglich war lediglich die Erneuerung der Elektroverteilung geplant. Bei der Vorbereitung dieser Maßnahme mit dem Ingenieurbüro Kummich und Weißkopf (Bopfingen) hat sich gezeigt, dass über die reine Erneuerung der Elektroverteilung hinaus die Durchführung von zusätzlichen Maßnahmen im Bereich Energieversorung des Verwaltungsgebäudes sinnvoll ist.

 

Diese Zusatzmaßnahmen umfassen:

 

  • Erneuerung der Mittelspannungsschaltanlage
  • Erneuerung der Niederspannungshauptverteilung und Integration in die bereits vorhandene Gebäudeleittechnik (Echtzeitüberwachung der Unterverteilungen und des Leistungsbedarfs; Ermöglichung der frühzeitigen Fehlerdetektion)
  • Transformatoren (Ertüchtigung, Reinigung, Wechsel des Isolieröls)
  • Austausch des Notstromgenerators inklusive Regel- und Steuerungstechnik
  • Zusätzliche Schaffung eines Anschlusses für eine externe Notstromversorgung
  • Verbesserung der unterbrechungsfreien Stromversorgung (IT-Infrastruktur)

 

Die beschriebenen zusätzlichen Maßnahmen hätten alters- und abnutzungsbedingt innerhalb der nächsten fünf Jahre durchgeführt werden müssen. Die vorgezogene Ausführung führt zu Synergieeffekten und ist sehr sinnvoll, da zunächst die zentraltechnischen Anlagen (Mittelspannungsschaltanlage, Niederspannungshauptverteilung) erneuert werden und anschließend die Elektroverteilung neu aufgebaut und eingebunden wird.

 

Die Kosten für diese zusätzlichen Maßnahmen betragen 735.000 €. Dieser Mehraufwand fällt nur einmalig im jetzt vorgesehenen 1. Bauabschnitt an und hätte ansonsten in den nächsten Jahren in der laufenden Gebäudeunterhaltung berücksichtigt werden müssen.

 

 

Ausschreibungsverfahren

 

Die Verwaltung hat in Zusammenarbeit mit dem Ingenieurbüro für Elektrotechnik Kummich und Weißkopf die öffentliche Ausschreibung der Arbeiten durchgeführt. Zum Eröffnungstermin am 19.02.2020 wurden zwei Angebote eingereicht.

 

Die fachtechnische und rechnerische Prüfung durch das Ingenieurbüro für Elektrotechnik Kummich und Weißkopf und den Geschäftsbereich Hochbau und Gebäudewirtschaft hat folgendes Ergebnis erbracht:

 

#

Anbieter

Angebotspreis

Vergleich

1

Fa. Elektro Jerg GmbH, Aalen

1.212.318 €

100,0 %

2

Weiterer Bieter (Ostalbkreis)

1.407.383 €

116,1 %

 

Vergabevorschlag

 

Die Verwaltung empfiehlt die Arbeiten an die wirtschaftlichste Bieterin, die Firma Elektro Jerg GmbH, Aalen, zum Angebotspreis von 1.212.318 € zu vergeben.

 

Die Kostenberechnung sieht für den 1. Bauabschnitt unter Einbeziehung der Zusatzmaßnahmen einen Ansatz von 1.201.000 € vor. Bei einer Beauftragung des wirtschaftlichsten Angebots (1.212.318 €) wird dieser Ansatz um 11.318 € überschritten.


Kostensituation

 

Der Kreistag hat in seiner Sitzung vom 27.11.2018 die Verwaltung mit der Planung und Durchführung der Erneuerung der Elektroverteilung und der Verbesserung des vorbeugenden Brandschutzes beauftragt.

Im Jahr 2019 erfolgte die umfangreiche Planung  dieser Gesamtmaßnahme in Zusammenarbeit mit dem Ingenieurbüro Kummich und Weißkopf und unter Begleitung eines beim Geschäftsbereich Hochbau und Gebäudewirtschaft beschäftigten Elektromeisters. Bei der detaillierten Befassung mit der gesamten Elektrotechnik im Ostalbkreishaus hat sich herausgestellt, dass der im Jahr 2018 gewählte Kostenansatz auf Grund der stark steigenden Preise für die technischen Komponenten und die Löhne zu niedrig angesetzt war. Unter Berücksichtigung der Preissteigerungen und des langen Ausführungszeitraums von Juni 2020 bis Dezember 2023 wird nun mit einem Gesamtaufwand für die Elektroverteilersanierung in Höhe von 1.902.000 € gerechnet.

 

Die nun vorgeschlagenen zusätzlich zur Ausführung kommenden Maßnahmen (Mittelspannungsschaltanlage, Niederspannungshauptverteilung, Transformatoren, Verbesserung der Notstromversorgung für den Katastrophenschutz und der unterbrechungsfreien Stromversorgung für die IT-Infrastruktur) mit Kosten von rund 735.000 € waren im ursprünglichen Konzept zur Sanierung der Elektroverteilung nicht vorgesehen.

 

Die neue Kostensituation stellt sich wie folgt dar:

 

 

1. Bauabschnitt

2. Bauabschnitt

3. Bauabschnitt

4. Bauabschnitt

Zeitraum

Juni 2020 -

Februar 2021

April 2021 -

Dezember 2021

Februar 2022 -

Oktober 2022

Februar 2023 -

Dezember 2023

Sanierung

Elektroverteilung

466.000 €

501.000 €

305.000 €

630.000 €

Zusatzmaßnahmen

Energieversorgung

735.000 €

---

---

---

 

Die Gesamtkosten der Sanierung der Elektroverteilung betragen 1.902.000 €.

 

Zusammen mit den vorgezogenen Zusatzmaßnahmen bei der Energieversorgung in Höhe von 735.000 € ergeben sich Gesamtkosten für die Erneuerung der Elektroverteilung und Energieversorgung von 2.637.000 € im Zeitraum 2020-2023.

 

Wie in der Vorlage Nr. 219/2018 (Baufreigabebeschluss des Kreistags am 27.11.2018) dargestellt, werden begleitend noch folgende baulichen Maßnahmen zur Verbesserung des Brandschutzes durchgeführt.

 

Bauliche Maßnahmen für die Technikmaßnahmen

(Erneuerung Stahltüren der Unterverteiler, Brandschottungen)

83.660 €

Fluchttreppe aus dem großen Sitzungssaal

30.000 €

Nachrüstung Rauchwärmeabzug

27.600 €

Abtrennung von Brand- und Rauchabschnitten

250.000 €

Zweiter Rettungsweg Sportraum (UG)

6.000 €

Begleitende bauliche Maßnahmen

397.260 €

 

Die begleitenden baulichen Maßnahmen belaufen sich im Zeitraum 2020-2023 auf 397.260 €.

Weitere im Baufreigabebeschluss vom 27.11.2018 aufgeführte Maßnahmen (Brandmeldeanlage, dezentrale Notlichtanlage, Sprachalarmierungsanlage, Brandschottungen) sind bereits in den Kosten der Elektroverteilersanierung enthalten.

 

Für die Gesamtmaßnahme „Elektroverteilersanierung und Verbesserung des vorbeugenden Brandschutzes“ ergeben sich im Zeitraum 2020-2023 folgende Gesamtkosten:

 

 

Sanierung Elektroverteilung

- Brandmeldeanlage

- Dezentrale Notlichtanlage

- Sprachalarmierungsanlage

- Brandschottungen

- Preissteigerung für Zeitraum 2020-2023

1.902.000 €

Zusatzmaßnahmen Energieversorgung

- Mittelspannungsschaltanlage

- Niederspannungshauptverteilung

- Ertüchtigung Transformatoren

- Verbesserung Notstromversorgung und

- der unterbrechungsfreie Stromversorgung

735.000 €

Begleitende bauliche Maßnahmen

397.260 €

Gesamtkosten im Zeitraum 2020-2023

3.034.260

 

 

Die Gesamtkosten der Elektroverteilersanierung, der Zusatzmaßnahmen in der Energieversorgung und der begleitenden baulichen Maßnahmen betragen 3.034.260 € im Zeitraum 2020-2023.

 

Das Vorziehen der Zusatzmaßnahmen bei der Energieversorgung ist im Zuge dieses jetzt anstehenden Eingriffs in die Elektrotechnik im Verwaltungsgebäude Stuttgarter Straße 41 in Aalen sehr sinnvoll. Gegenüber einer zeitlich späteren Durchführung über die laufende Gebäudeunterhaltung können so Kosten eingespart werden.

 


Finanzierung und Folgekosten

 

Für die Sanierung der Elektroverteilung und zur Verbesserung des vorbeugenden Brandschutzes sind im Haushaltsplan 2020 Mittel in Höhe von 900.000 € vorhanden. Mit diesen Mitteln sind die Ausgaben für den 1. Bauabschnitt inklusive Zusatzmaßnahmen im Zeitraum Juni bis Dezember 2020 abgedeckt.

 

Im Haushaltsplan 2021 wären für den ersten Bauabschnitt, dessen Fertigstellung für Februar 2021 geplant ist, noch weitere Mittel in Höhe von 350.000 € bereitzustellen.

 

Für die Maßnahmen des zweiten Bauabschnitts, die im Zeitraum April bis Dezember 2021 vorgesehen sind, sollten weitere Mittel in Höhe von rund 700.000 € bereitgestellt werden.

 

Im Haushaltsplan 2021 wären somit Haushaltmittel in Höhe von 1.050.000 € bereitzustellen. Die Bauabschnitte 3-4 wären in den Folgejahren 2022-2023 zu finanzieren.

 

 

 

 


Sichtvermerke

 

gez. Bihr, Geschäftsbereichsleiter

gez. Wolf, Dezernat I

gez. Kurz, Dezernat II

gez. Pavel, Landrat